D671X气动蝶阀

日期:2021-02-03 14:42:01 访问:35
  • 适用压力:1.0MPa 、1.6MPa
  • 阀体材质:球墨铸铁、WCB
  • 适用温度:≤135
  • 适用介质:蒸汽、水、油、弱酸,碱

欢迎拨打24小时订购咨询热线:

手机:13938532752

地址:河南省荥阳市高山镇朝阳路40号

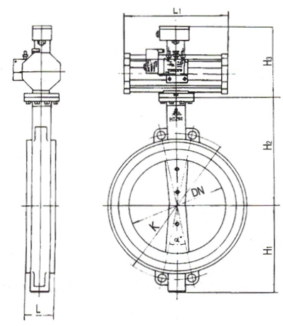
 主要外形尺寸、连接尺寸


  • 上一篇: D642F(X)气动蝶阀
  • 下一篇: D971X电动蝶阀
  • 相关产品推荐